Nejste přihlášen/a.
Chtěl bych se zeptat, co znamená schematicka značka v kroužku na přiloženém fotu níže.

2x
Je to americká značka odporu. V tomhle zapojení možná brzdící odpor. Není celé zapojeni tak jen domněnka.
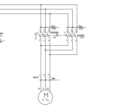
To mě docela zaujalo. Já tam vidím reverzaci chodu dvou motorů na nějakém zařízení. Je mi teda divné, proč tu jednu fázi mají tak podivně vytaženou bokem a jištěnou další pojistkou. Ale proč by byl brzdný odpor jen na jedné fázi? A takhle zapojený mi nedává smysl, co by měl brzdit?
Normálně se motor reverzuje jednodušeji - viz obr

Vypadá to na přímý reverz a odpor nejdříve brzdí potom až se otočí směr otáčení pomáhá měkkému rozběhu. Samozřejmě ale také o něco menší výkon.
0x
Tohle bude odpor pro zarážení motoru = brzdění protiproudem (velmi rychlé zastavení motoru změnou směru otáčení). Aby nedošlo k poškození vinutí motoru je jedna fáze zapojena přes odpor změkčující proudový náraz. Není na konci hřídele motoru namontované otáčkové relé Alnico?
doplněno 10.11.25 17:37:
Nikde tam nevidím nadproudová jistící relé (tepelné ochrany) motorů. Z čeho je to schéma?
0x
Tak z toho ovládacího schématu je to jasné, toto je prastaré označení cívky relé nebo stykače.
Ale tady se mi zdá že to relé bude nějaká speciálka, se dvěmi vinutími. Jedno vinutí je ovládané otáčkovým relé Alnico, to bude tak na 2A a druhé je silové, protékané přímo proudem motoru a je jištěné 20A pojistkou. Nevím co je dál ve schématu ani co to je za stroj, zřejmě zde bude podmínka, že spouštěcí relé RSP se přepne (a tím spustí druhý motor?) na základě přepnutí směru - vidím tam nějaké kontroléry? dále na pozicích relé Alnico (motor se točí/stojí) a až když proud motoru dosáhne nějaké úrovně. Tzn, motory asi konají současně střídavě pohyb na jednu-druhou straru, a bude tam jejich postupné spouštění (asi kvůli proudovému nárazu - přepnutí závisí na velikosti proudu motorů - a jistotě že druhý motor se ještě netočí na opačnou stranu.)
0x
Ano, ta třetí fáze (v reverzačním chodu) prochází cívkou spouštěcího relé. Relé má dvě vinutí. Domnívám se že na základě velikosti proudu jednoho motoru který cívkou prochází (motor se rozebíhá/běží) a poloze sepnutí otáčkového relé Alnico (zdali se druhý motor ještě neotáčí v opačném směru) spouštěcí relé sepne stykač druhého motoru.. Je tam i blokování stykačů vpřed-vzad aby nedošlo ke zkratu mezi fázemi.
Stále nevíme co je to za stroj, z toho se dá odvodit systém funkce jeho motorů a takovéto útržky ze schématu jsou k ničemu.
.
U nás v práci máme taky dvoumotorový soustruh, SU 50, 2x motor 5,5 kW. Je tam volba přepínačem výkonu podle mohutnosti obrobku buď 5,5 kW pro "běžné soustružení" malých obrobků, nebo 11kW pro "soustružení nadměrné" obrobků až do 300 kg.. Tak to může pravděpodobně být i postupné spouštění motorů, protože jeden z nich běží vždy, je jako "hlavní" motor a druhý je možno v případě potřeby vyššího výkonu připojit. Takže to bude při přepnutí voliče výkonu pro "nadměrné soustružení" fungovat tak, že jeden motor (hlavní) se rozeběhne a až když jeho proud poklesne na nějakou hodnotu, pak se teprve připojí k síti druhý (pomocný) motor. Pokud by se totiž oba motory sepnuly současně, byl by to tak velký proudový náraz že by muselo být zbytečně předimenzované a jištěné vedení k soustruhu, prostě hned na plný výkon by ho jen tak nějaký přívod neutáhl, takto je možno soustruh provozovat i na přívodu se slabším jištěním.
Je to prostě staré "proudové relé"a bude to vypadat zřejmě podobně nějak takto:
Já ani nevím jaký máte typ soustruhu a jaký typ relé je v jeho rozvaděči, to bývá napsané i rozpisce přístrojů v návodu k obsluze a údržbě.
Hodnota jmenovitého proudu musí být stejná.

Jo - ještě pro upřesnění - jak máte to schéma ovládacího obvodu, tak dole ve schématu ta jakoby cívka RSP "spúšťacie relé" dole není samostatné vinutí tohoto relé - ono je to vlastně napájení tohoto proudového relé. Jen je toto napájení tohoto proudového relé ve schématu trochu nešťastně řešeno značkou jako "cívka".
A to Alnico slouží ke "krokování" aby bylo možno dobře zařadit rychlosti bez nutnosti rukou pootáčet univerzálkou.
Určitě bych relé pro zajištění správné a bezpečné funkce stroje nahradil shodným nebo rovnocenným. Silně se mi příčí představa cokoliv vyřazovat a různě upravovat a přepojovat. Už jsem se s tím setkal v práci a dávat podobné stroje dohromady byl fakt zážitek.
Máte-li možnost, otevřete rozvaděč soustruhu, relé vyfoťte a fotku sem vložte, nebo podle typu a proudové hodnoty zkuste na Googlu vygooglit zda je někde ke koupi.
Když ale máte i schéma, to bývá přílohou návodu- manuálu stroje. Tam to v rozpisce přístrojů píšou co tam je namontováno.
Bohužel těžko někdo z nás tuší co tam vlastně máte.
Vždyť ani ten přesný typ nebo model soustruhu stále ještě nevíme.
To je potom jak věštění z lógru nebo z opičích kůstek.![]()
A nebo zkuste kontaktovat firmu ELKO EP, ta různá proudová relé vyrábí, zda vám poradí správnou náhradu a jak je správně zapojit a nastavit.. Ale k tomu musíte vědět jaké relé v tom rozvaděči soustruhu vlastně máte.
jakýmkoliv nahrazováním než vyrobkem se stejnou funkcí se dopouštíte trestného činu obecného ohrožení...
Neneseme odpovědnost za správnost informací a za škodu vzniklou jejich využitím. Jednotlivé odpovědi vyjadřují názory jejich autorů a nemusí se shodovat s názorem provozovatele poradny Poradte.cz.
Používáním poradny vyjadřujete souhlas s personifikovanou reklamou, která pomáhá financovat tento server, děkujeme.

